Structures
- Les profilés
- Poutrelle cellulaire
- Poutrelles IFB et SFB
- Profilés formés à froid
- Poutres- et poteaux mixtes
Les profilés
Les profilés sont classés parmi les produits longs, c'est à dire les produits qui représentent une dimension nettement plus importante que les deux autres dimensions qui déterminent la section. Les profilés obtiennent leur forme (I, H, U, …) par un laminage à haute température. Ils sont désignés en fonction de la forme de leur section.
Profilés en I

- IPE Poutrelles I européennes : Profilé à ailes parallèles d'épaisseur constante. Caractéristiques mécaniques équivalentes, mais plus légers que les profilés IPN et permettent des raccord plus faciles.
- IPN Poutrelles normales européennes : Profilé IPN se distingue du profilé IPE par ses ailes inclinées.
Profilés en H
Poutrelles européennes à larges ailes

- Profilé HE ou profilé à larges ailes. Profilés à larges ailes parallèles.
- Le profilé HL est également un profilé à larges ailes et comporte des ailes plus larges. Disponible à partir d'une certaine hauteur minimum.
- Profilé HD, profilé spécial pour colonnes.
- Profilés en H utilisés pour les applications en fondation. Voir également palplanches.
Profilés en U
Profilé UPE. Profilé en U à ailes parallèles d'épaisseur constante.
Le profilé UPN se distingue du profilé UPE par ses ailes inclinées.
Profilés en U : disponibles pour faibles hauteurs.

Profilés en L
Profilé en L, également connu sous le nom de cornière.
Disponibles avec des ailes égales ou inégales.

Nuances d'acier
Les profilés sont généralement disponibles dans les qualités d'acier courantes (désignés suivant la norme EN10025).Outre les qualités d'cier les plus courantes telles que le S235, S275 en S355, les profilés sont également disponibles en acier à haute résitance (qualités améliorées pour la traction) et en alliages spéciaux comme l'acier auto-patinable.
Plus d'info
- Autocad Drawings of sections - ArcelorMittal
- European sections - Constructalia
- ArcelorMittal Sales Programme "Sections and Merchant Bars" (EN-FR-DE) - téléchargez-ici la version pdf
- Vade-mecum des produits sidérurgiques (Catalogue Grymafer) -edition online
Poutrelle cellulaire
Poutrelle cellulaire, également connue sous la dénomination de poutrelle alvéolaire ou ajourée (surtout dans le cas des ouvertures hexagonales)

Ces poutrelles existent dans les profilés de base suivants : IPE, HE, HL. Les dimensions de ces poutrelles sont variables.
Les soudures sont réalisées selon le plan.
- Etat de la surface
- EN 10163-3:1991
- D'autres formes d'ouvertures que les hexagonales sont possibles (octogonales et circulaires)

Avantages de la poutrelle cellulaire pour les charpentes :
- portées optimales de 12 à 25 mètres;
- 25 à 30 % de gain de poids par rapport aux poutrelles classiques;
- prennent moins de place;
- économiques.
Fabrication des poutrelles cellulaires :
Découpage d'un profilé normal en vue d'obtenir une poutrelle ajourée. cellenligger
Plus d'infos
- Brochure: ACB® beams - The intelligent solution for long spans
- ACB® - Cellular steel beams with circular openings
- Cellular and Castellated Beams - Constructalia
- Angelina TM - Castellated steel beam with sinusoidal openings
- Cellular beams - Engineers design guide - ASD Westok, 10.2008 - www.westok.co.uk
Poutrelles IFB et SFB
Ces poutrelles présentent des ailes extra-larges soudées sur la partie inférieure.
Cela permet de placer facilement des éléments de plancher.
Integrated Floor Beams (IFB)
Ces poutrelles spéciales, type A, sont fabriquées au départ de demi-poutrelles IPE ou HE.
Les poutrelles de type B sont réalisées à l'aide de demi-poutrelles HP.


Slim Floor Beam (SFB)
Ces poutrelles sont réalisées en soudant une tôle rapportée en plus sous la semelle d'une poutrelle HEB ou HEM.Disponible de HEB 140 à HEB 320.

Applications

Plus d'infos
- IFB - Asymetric Integrated floor beam - Constructalia
- SFB - Asymetric Slim floor beam - Constructalia
- Deltabeam de Peikko Benelux
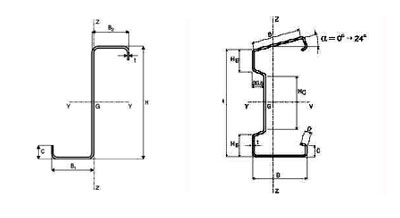
Profilés formés à froid
Profilés fabriqués à partir de tôles d’acier formées « à froid ».
Caractéristiques de ce système :
- très léger et fin ;
- géométrie différente de celle des profilés laminés à chaud et généralement plus petits ;
- thermozingué ;
- non soudable, montage par boulonnage uniquement;
- construction de structures en acier.
Quelques exemples de géométrie :


Avantages de ce système de construction :
- construction très légère. Les profilés peuvent être portés par une seule personne ;
- facile à travailler sur le chantier (couper, percer…) ;
- assemblage rapide ;
- construction à sec ;
- différentes finitions possibles. Peut égaler la construction massive traditionnelle.
Principe de construction


Plus d'infos
Poutres- et poteaux mixtes
Il s'agit d'une poutrelle constitué d'une ou de plusieurs poutrelles en acier et en béton. L'ensemble est très rigide. Donc, deux matériaux complémentaires sont assemblés. Chacun remplit une fonction spécifique :
- Béton : efficace sous les charges de pression;
- Acier : efficace sous les charges de traction.
Pourquoi les combiner?
- Moins de risque de basculement ou de flambage;
- Résistance au feu;
- Ductile grâce à l'acier;
- Protection contre la corrosion.
Exécution des colonnes:


Exécution des poutrelles:


Applications
- Sea’rena, Oostende

- Gerechtsgebouw Gent

